全國統一服務熱線
鄭礦機器一直致力于為客戶提供更專業的選礦整體服務,從選礦咨詢、選礦試驗到工藝設計、設備生產,再到整線設備安裝及調試,實現達標達產,完成金屬、非金屬選礦項目。我司不斷完善優化自己的服務,直到形成自己一套服務體系。
產能:1-30萬噸/年
主要設備:顎式破碎機、球磨機、分級機、磁選機、浮選機、濃縮機、烘干機、給料機、提升機和輸送機
服務范圍:提供選礦線整體方案和設備
1、具有高效、低能耗、高產量、經濟合理的優點。
2、工藝流程簡單,選礦設備成本低,易于操作。
3、為客戶提供更專業的選礦整體服務,從選礦咨詢、選礦試驗到工藝設計、設備生產,再到整線設備安裝及調試,實現達標達產,完成金屬、非金屬選礦項目。
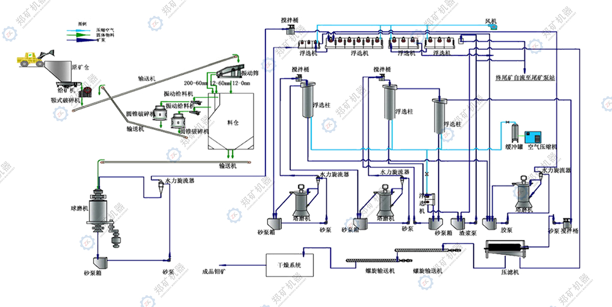
礦石先被送到顎式破碎機進行初次破碎,然后礦石將被送到球磨機進行細破與研磨出合適的粒度。從球磨機排出的礦石粉末會被送到下一道工序:篩分。由于不同的比重和沉降速度,螺旋分級機可以清潔分組礦石混合物,清潔分組的礦石混合物被送到磁選機,由于不同的磁化系數,在磁力和機械力的作用下,磁性物料將從混合物分離出來,然后混合物被送到浮選機,根據不同礦石的特性,我們在混合物料中增加不同的添加劑來分離我們想從混合物料中得到的礦石。混合物料分離后,得到的礦石會含有大量的水分,我們需要用濃縮機先濃縮再用烘干機烘干,然后可以得到干礦石。


備注:僅供參考,如果您需要了解更多工藝、技術參數、生產線報價等信息,請聯系我們:15617656612 !
歷經多年的發展,由原來單一的機械設備生產企業,逐步 發展成為集科研、設計、制造、安裝、調試、保障運行于 一體的擁有全過程技術的高新技術企業,凈資產達2億多 元,具備環保、建材、礦山及冶金工藝技術及設備整套系 統研發生產能力的綜合公司。
工業園區:河南省滎陽市喬樓蔡砦工業區
鄭州辦公區:鄭州市西三環279號國家大學科技園東區13號樓15樓


